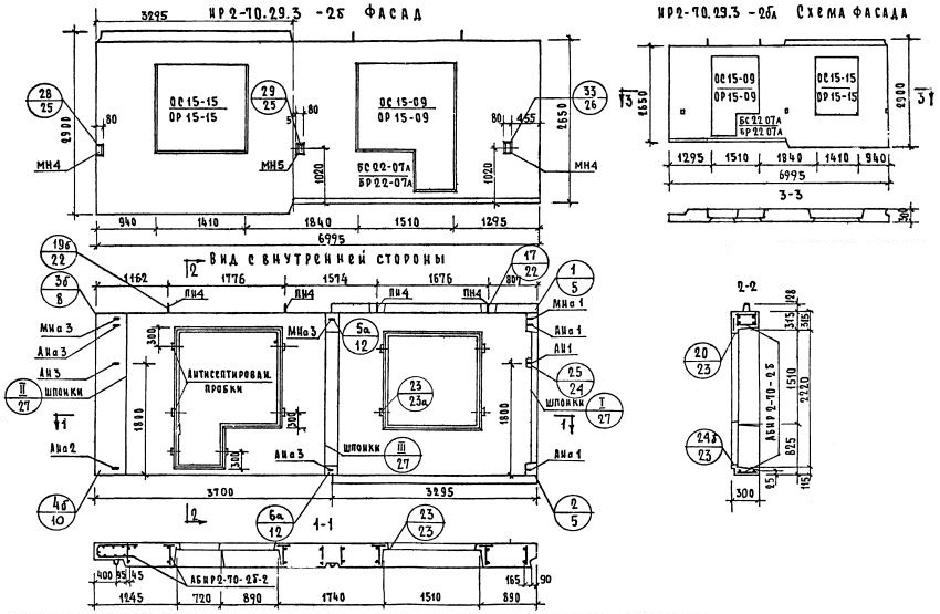
НР2-70.29.3-2бл

Чертеж изделия:
Характеристики изделия:
ПараметрЗначение
Длина6995 мм
Ширина300 мм
Высота2900 мм
Масса6060 кг
Нормативный документСерия 1.132-1

НР2-70.29.3-2бл   Наружная стеновая панель рядовая по Серии 1.132-1.